повышающий преобразователь (сonverter) ПН DCDC вход-14,выход-28в
Цена: 3 900 руб. / шт. Отправить запросБелобородова генерала, дом 16 корпус 1 офис 6, Москва, Россия, 125222
магазин пользователяНовинка:
Изготовлен по техническому заданию,проверен на конвейр.. для "Тонара".... С заменой импортных комплектующих = Converter ABC 14-28v " Brieсhle Еlektronik"сайт http://www.briechle.de У которого цена зашкаливает.
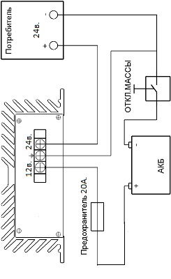
ПН14-28в.-360 ватт. 3-входа,3-выхода
ПН14-28в.-400в. 5 входов+5выходов-зайдите на сайт Тонара,убедитесь по ценам!
Дополнительно, под ВАШ заказ ,имеется 1шт. розетка (папа) по ISO 7638, 5 пин + 1шт. кабель -3,5 метра-с наконечниками-5 пин(мама)
3\ПН,Converter вход- 28-выход-14 вольт - 10, 20ампер.
4 ПН вход -14-выход-19в до 15амп-2й вых-28в на ноутбуки в авто
5 ПН вход-28-выход-19в до 10ампер на ноутбуки в авто
Адаптирован для ноутбуков,по протоколу питания.
Минуя лишние соединения ,цепочку бортовой сети авто, DC12v-AC220v-DC19v убрав тем самым помехи для телефонов, раций, телевизоров и обезопасив авто
Мощный 500ваттный,с дополнительной клеммой управления ПН от замка зажигания.для разных потребителей (рации,лебёдки,печки,кондюки..),для АВС,ЕВС,где борт питание прицепа-28в, борт автотрака=14в + функция зарядки-двух-4х акумуляторов-14в.
2 voltage doubler ZF,удвоитель напряжения с 14 в на 28в на акпп mod # 41222ZF № A2297Z8268
цена 40.0 т.р.
Повысили гарантию с 1 года до 3 лет!
Производство,изготовление,продажа преобразователей напряжения DCDC повышающих для автотаков, АВС,ЕВС,раций,кондиционеов,лебёдок в двухуровневых бортовых сетях авто,лодок, дельтопланов и самолётов России,СНГ,Канады

